Product Details
Monsoon Extra universal single flow commercial and domestic water boosting pump. For use with positive and negative head water systems. Includes flexible hoses. Boosts water pressure to 3.6 bar.
- Medium pressure.
- Single flow pump to boost a single water feed, either hot or cold.
- Positive and negative head: Fully automatic control.
- No on-site setting/commissioning required.
- Quality brass and stainless steel centrifugal multi stage booster pump.
- Run on timer: 3 seconds.
- Anti vibration feet.
- Quiet operation (from 50db).
- Includes flexible hoses (300mm).
- Inlet strainers included.
- ideal for use in pairs, boosting hot and cold water services to multiple outlets in large houses, schools or leisure centres.
- Designed to provide a pressurised water supply from a break tank in either a positive or negative head application, as it does not rely on gravity flow to activate.
- Flow switch: Fully automatic. Gravity flow required to start pump.
- Flow switch sensitivity: Approx 1.0 Litres per min.
- Maximum flow: 125 litres per minute maximum.
- Maximum static inlet pressure: 10 metres.
- Equivalent to raising the cold water cistern 25 metres above its current position.
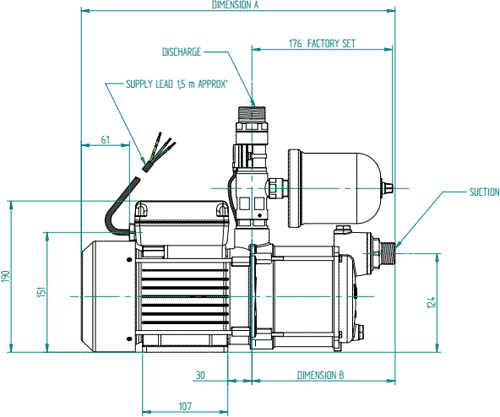
- Pipe connections: G 1 male x G 1 female.
- Water pressure: 3.6 bar.
- Pre wired with 1.5 meter power cable.
- All electrical connections should be carried out by a qualified electrician.
- Power consumption: 1136 Watts.
- Fuse rating: 13 Amps.
- Enclosure BS rating: IPX4.
- WRAS approved.
- CE approved.
- 3 Year guarantee: Stuart Turner guarantee this pump for 3 years.
- Positive Head Systems: A positive head system exists when sufficient pressure is available under gravity to provide a flow at the outlet. Typically a positive head condition exists where the flow from the outlet is more than 1 litre/min.
- Negative Head Systems: A negative head system exists when there is insufficient pressure or head of water under gravity to provide a flow / pressure at the outlet. Typically a negative head condition exists where the flow from the outlet is less than 1 litre/min.
Product Code: ST-46594-NEW
Additional documents are available:
Monsoon Extra Standard Single Installation Guide (pdf)
Monsoon Extra Universal Single Installation Guide (pdf)
Stuart Turner's Monsoon Extra is a range of centrifugal booster pumps designed for the larger installation that requires higher flow rates. Typical applications would include large houses, small hotels and leisure facilities where multiple showers are required. Established in 1906 Stuart Turner Pumps now offers an extensive range of quality pumping products and solutions, catering for almost every application, from residential home boosting pumps to a wide range of pumps for various commercial applications.
2 Year guarantee: Stuart Turner guarantee their Monsoon Extra pumps for 2 years. All Stuart Turner pumps are WRAS approved.