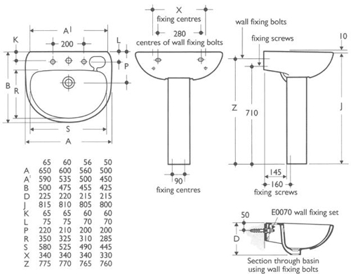
1 Tap hole basin and pedestal. Size 560mm. Taps and waste are not included.
Product Code: IS-STUDIOB13
The Ideal Standards Studio bathroom suite, designed by Robin Levien of Queensbury Hunt, has changed the typical British bathroom forever by delivering a unique treble: award-winning design, maximum choice and outstanding value.
